| |
 |
| 流利条 |
|
|
| |
|
|
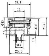
| RL-13 |
 |
 |
|
|
 |
|
|
| 订货代号 |
滚轮:直径×轮宽 |
机架:高×宽 |
总高 |
长度 |
轮矩 |
单轮承载 |
组件材质 |
| RL-13 |
13×14 |
21.5×29.7 |
23.5 |
100-3000 |
15.30.45 |
4 Kg |
铝型材+ABS辊轮+镀锌轴 |
|
|
|
|
|
|
|
|
|
|
|
|
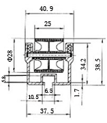
| RL-28 |
| |
 |
 |
|
|
 |
|
|
订货代号 |
滚轮:直径×轮宽 |
机架:高×宽 |
总高 |
长度 |
轮矩 |
单轮承载 |
组件材质 |
RL-28 |
28×25 |
34.2×40.9 |
38.5 |
100-4000 |
30.45.60 |
5Kg |
铝型材+ABS辊轮+镀锌轴 |
|
|
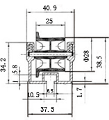
| RL-28D |
| |
 |
 |
|
|
 |
|
|
|
|
|
|
订货代号 |
滚轮:直径×轮宽 |
机架:高×宽 |
总高 |
长度 |
轮矩 |
单轮承载 |
组件材质 |
RL-28D(带档边) |
28×25 |
34.2×40.9 |
43.5 |
100-4000 |
45.60 |
5Kg |
铝型材+ABS辊轮+镀锌轴 |
|
|
| |
|
|
| |
|